電子連接元件大功率連接器電機控制元件工業及電子標示器材天線及高頻連接器SMD T&R零件帶裝電腦週邊產品

  單極大電流連接器

  直流電源連接器  NEMA美規電源連接器

  電路旋轉連接器

  圓型系列連接器

  軍規級系列

  真空隔離連線器

  CEEP工業級系列

  Invax系列

  防水連接器

 

  機箱背板連接器

  電源佈線連接器

  CEE歐規電源連接器  防水資訊連接器

  飛機地電源連接器

  燈光電源連接器

  電力及控制信號纜線組

 

   

 

  防水連接器系列  

  接點數
No. of contacts
3+PE 6+PE    
  接線式樣
Termination
螺紋連接Screw 焊接Solder  
  線規
Wire Gauge
Max 2.5mm2;  AWG14 Max 0.75mm2; AWG18  
  額定電壓
Rated insulation voltage
400V 250V  
  額定電流
Current carrying capacity
16A 10A  
  防護等級
Protection class
IP 67 IP 67  
 
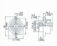
WA22型尺寸圖
產品 圖樣 接點數 產品編號 描述
  3+PE WA22J4TE2 外螺紋電纜接頭,3+PE螺紋。6+PE焊接式端子帶出氣冒口,與VDE測試一致

Male cable connector, 3+PE screw termination, 6+PE solder termination, with strain relief.
  6+PE WA22J7TE1
  3+PE WA22K4Z2

內螺紋插座,螺紋連接端子,與VDE測試一致

Female receptacle, screw termination.

  6+PE WA22K7Z1

內螺紋插座,焊接式端子,與VDE測試一致

Female receptacle, solder termination.

  3+PE WA22K4ZE2

外螺紋電纜接頭,3+PE螺紋。6+PE焊接式端子帶出氣冒口,與VDE測試一致

Female cable connector, 3+PE screw termination, 6+PE solder termination, with strain relief.

  3+PE WA22J4Z2 外螺紋插座,螺紋端子,與VDE測試一致

Male receptacle, screw termination.
  6+PE WA22J7Z1 外螺紋插座,焊接式端子,與VDE測試一致

Male receptacle, solder termination
    WA22G1 電纜接頭和插座的外螺紋護蓋

Protective cap for male cable connector ane receptacle.
    WA22G2 電纜接頭和插座的內螺紋護蓋

Protective cap for female cable connector ane receptacle.